Rodamiento de bolas de contacto de cuatro puntos de sección delgada KC065XPO
El rodamiento está hecho con brillante sustancias como el cromo metal o acero inoxidable, que amoblar excepcional durabilidad, confiabilidad y resistencia a la corrosión. Está diseñado para función en excesivo velocidades y tiene un excesivo grado de precisión para irritante aplicaciones El rodamiento KC065XPO es típicamente utilizado en robótica, científico equipo, dispositivo informático herramientas y equipos industriales.
Rodamiento de bolas de contacto de cuatro puntos de sección delgada KC065XPO
KC065XPO delgado sección El rodamiento de bolas de cuatro puntos de contacto es un amable de porte que es mejor para propósitos el lugar radiales y axiales masas tengo que apoyarse simultáneamente. Tiene un espesor transversal de 0,625 pulgadas (15,875 mm) y puntos contacto de cuatro puntos entre las bolas y las pistas de rodadura, que aprueba a mantener gigante Cargas radiales y de empuje. Este amable de cojinete tiene un perfil bajo diagrama eso ayuda a almacenar área y peso, haciéndolo adecuado para funciones con constreñido espacio.

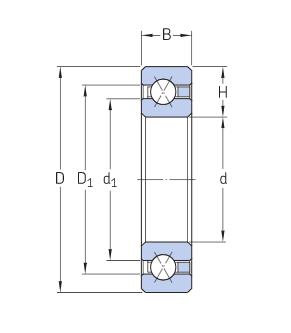
Dimensiones
| 165,1 mm | identificación |
| 184,15 mm | De |
| 9.525 mm | Sección transversal radial |
| 9.525 mm | Ancho |
| ≈172,136 mm | / |
| ≈177,114 mm | / |
| 4,763 mm | Pelotas |
| 1,016 mm | Radio máximo del filete del eje o de la carcasa |
El KC065XPO
Durante la instalación o el mantenimiento, es fundamental para cumplir con las pautas del productor, use enorme herramientas y hacer seguro fantástico lubricación a prolongar su vida útil y hacer seguro perfecto agradable actuación. Hacer frente con cuidado es además crucial, ya que la sección transversal delgada puede hacer que el rodamiento más grande propensos a deformarse o dañarse. Inspecciones periódicas y reemplazo de gastado o dañado rodamientos ayuda a detener equipo falla y tiempo de inactividad.
| Artículo (CPO/XPO/ARO) | identificación (mm) | DE (mm) | T(mm) |
| ||| KC040 | 101.6 | 120.65 | 9.525 |
| ||| KC042 | 107.95 | 127 | 9.525 |
| KC045 | 114.3 | 133.35 | 9.525 |
| KC047 | 120.65 | 139.7 | 9.525 |
| KC050 | 127 | 146.05 | 9.525 |
| KC055 | 139.7 | 158.75 | 9.525 |
| ||| KC060 | 152.4 | 171.45 | 9.525 |
| KC065 | 165.1 | 184.15 | 9.525 |
| KC070 | 177.8 | 196.85 | 9.525 |
| KC075 | 190.5 | 209.55 | 9.525 |
| KC080 | 203.2 | 222.25 | 9.525 |
| ||| KC090 | 228.6 | 247.65 | 9.525 |
| ||| KC100 | 254 | 273.05 | 9.525 |
| ||| KC110 | 279.4 | 298.45 | 9.525 |
| KC120 | 304.8 | 323.85 | 9.525 |
| KC140 | 355.6 | 374.65 | 9.525 |
| ||| KC160 | 406.4 | 425.45 | 9.525 |
| ||| KC180 | 457.2 | 476.25 | 9.525 |
| KC200 | 508 | 527.05 | 9.525 |
| KC250 | 635 | 654.05 | 9.525 |
| KC300 | 762 | 781.05 | 9.525 |

